Winbond W66BL6NB & W66CL2NQ 2Gb/4Gb LPDDR4 DRAM

Winbond W66BL6NB and W66CL2NQ 2Gb/4Gb LPDDR4 DRAM is offered in Single-Die-Package (SDP) and Dual-Die-Package (DDP). The Single-Die-Package (SDP) provides 16Mb x 16DQ x 8-banks x 1 channel with 2Gb (2,147,483,648 bits) density. The Dual-Die-Package (DDP) offers 16Mb x 16DQ x 8-banks x 2 channels with 4Gb (4,294,967,296 bits) density.

The Winbond W66BL6NB and W66CL2NQ 2Gb/4Gb LPDDR4 DRAM uses a 2 or 4 clock architecture on the Command/Address (CA) bus to reduce the number of input pins in the system. The 6-bit CA bus includes command, address, and bank information. Each command uses
1, 2, or 4 clock cycle, during which command information is transferred on the clock's positive edge.

Features

  • VDD1 = 1.7V~1.95V
  • VDD2/VDDQ = 1.06V~1.17V
  • LPDDR4 uses 1.1V on VDDQ
  • LPDDR4X uses 0.6V on VDDQ
  • x16/x32 Data width
  • Up to 2133MHz clock rate
  • Up to 4267Mbps data rate
  • 8 internal banks for concurrent operation
  • 16n pre-fetch operation
  • LVSTL_11 Interface
  • 16, 32, On-the-fly 16 or 32 burst length
  • Sequential burst type
  • Programmable driver strength
  • Coded command input in double clock edges
  • Single data rate architecture on the CA bus
  • Double data rate architecture on the DQ pins
  • Differential clock input
  • Bidirectional differential data strobe
  • Input clock stop and frequency change
  • On-die termination (ODT)
  • Write leveling support
  • Programmable Read and Write Latencies (RL/WL)
  • CA training support
  • DQ-DQS training
  • Refresh feature:
    • Auto refresh (per bank / all bank)
    • Partial array self-refresh
    • Auto temperature compensated self-refresh
  • Post package repair
  • Target row refresh mode
  • Frequency-Set-Points for fast frequency switch
  • Support write mask and data bus inversion (DBI)
  • Support boundary scan for connectivity test
  • WFBGA 200-Ball (10x14.5mm2) support package
  • Operating Temperature Range:
    • -40°C ≤ TCASE ≤ 95°C
    • -40°C ≤ TCASE ≤ 105°C

Applications

  • Handheld devices
  • Consumer electronics
  • Computer peripherals

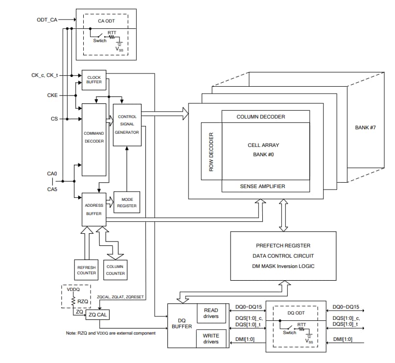
Block diagram of single chip

Winbond W66BL6NB & W66CL2NQ 2Gb/4Gb LPDDR4 DRAM

Block diagram of Dual-Die-Package

Winbond W66BL6NB & W66CL2NQ 2Gb/4Gb LPDDR4 DRAM
Publicado: 2021-04-13 | Actualizado: 2026-01-15