Vishay / Sfernice TS4Y Series Cermet Trimmers
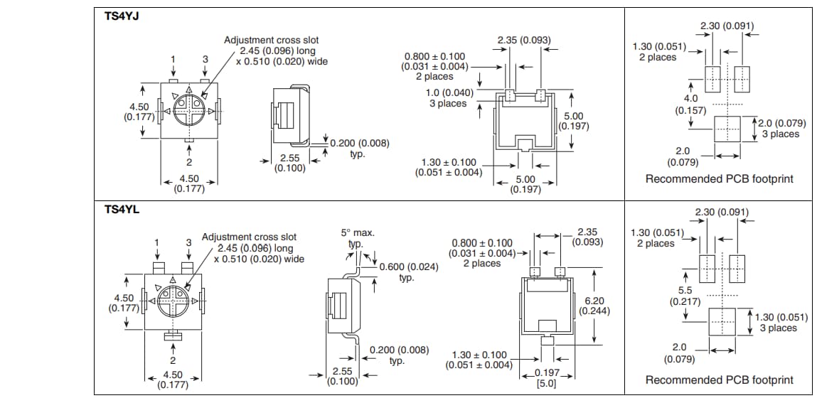
Vishay / Sfernice TS4Y Cermet Trimmers are surface mount, 4.0mm square, single-turn, and industrial-grade trimmers that are fully sealed to withstand board washing. The TS4Y are compatible with popular vacuum pick-and-place equipment and feature J-hook and gull-wing configurations.Features
- 0.25W at 70°C
- Fully sealed to withstand board washing
- Compatible with popular vacuum pick-and-place equipment
- J-hook and gull-wing configurations
DIMENSIONS mm (in)
Publicado: 2008-02-26
| Actualizado: 2022-03-11
