Trenz Electronic TE0818 Industrial Grade MPSoC SOMs

Trenz Electronic TE0818 Industrial Grade Multiprocessor System-on-Chip (MPSoC) System-on-Modules (SOMs) is a sophisticated solution for high-performance, reliable computing in demanding environments. These SOMs integrate an AMD Zynq UltraScale+ MPSoC, DDR4 SDRAM with 64-bit width data bus connection, SPI Boot Flash memory for configuration/operation, transceivers, and powerful switch-mode power supplies for all onboard voltages. Many configurable I/Os are provided via rugged high-speed stacking connections in a compact 76mm x 52mm form factor. Applications range from complex industrial automation and robotics to advanced imaging and communications systems, making these devices a critical component in modern industrial and embedded systems.

Features

  • SoC
    • ZU6/ZU9/ZU15 device
    • CG/EG engine
    • -1/-2 speed grade
    • Extended/industrial temperature range
    • FFVC900 package
  • RAM/storage
    • 4GByte DDR4 SDRAM
    • 2x 64MByte serial Flash
    • EEPROM with MAC address
  • Onboard oscillator
  • 4x B2B connector (ADM6) interface
    • Up to 204 PL IO
      • HP: 156
      • HD: 48
    • Up to 65 PS MIO
    • 4 GTR
    • 16 GTH
    • I2C, JTAG, CONFIG
  • 3.3V power supply via B2B connector needed
  • 76mm x 52mm dimensions

Applications

  • Industrial automation
  • Robotics
  • Advanced imaging
  • Communications systems

System Overview

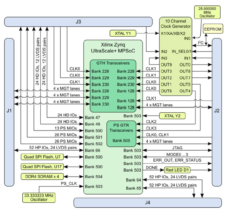
Block Diagram - Trenz Electronic TE0818 Industrial Grade MPSoC SOMs

Block Diagram

Block Diagram - Trenz Electronic TE0818 Industrial Grade MPSoC SOMs

Main Components

Trenz Electronic TE0818 Industrial Grade MPSoC SOMs
Publicado: 2024-09-04 | Actualizado: 2026-01-19