Texas Instruments TUSB8043 SuperSpeed USB 3.1 Hub

Texas Instruments TUSB8043 SuperSpeed USB 3.1 Hub provides simultaneous SuperSpeed USB and high-speed/full-speed connections on the upstream port. This device also provides SuperSpeed USB, high-speed, full-speed, or low-speed connections on the downstream ports. When the upstream port is connected to an electrical environment that only supports high-speed or full-speed/low-speed connections, SuperSpeed USB connectivity is disabled on the downstream ports. When the upstream port is connected to an electrical environment that only supports full-speed/low-speed connections, SuperSpeed USB and high-speed connectivity are disabled on the downstream ports.

The Texas Instruments TUSB8043 supports per port or ganged power switching, over-current protection, and supports battery charging applications. An individually port power-controlled hub switches power on or off to each downstream port as requested by the USB host. Also, when an individually port power-controlled hub senses an over-current event, only power to the affected downstream port will be switched off. A ganged hub switches on power to all its downstream ports when power is required to be on for any port. The power to the downstream ports is only switched off if all ports are in a state that allows power to be removed. Also, when a ganged hub senses an over-current event, power to all downstream ports will be switched off.

Features

  • Four-port USB 3.1 Gen1 hub
  • USB 2.0 hub features
    • Multi Transaction Translator (MTT) hub: four transaction translators
    • Two asynchronous endpoint buffers per transaction translator
  • Supports battery charging
    • Supports D+/D- divider charging port (ACP1, ACP2, and ACP3) when the upstream port is unconnected or not configured
    • Supports automatic mode for transition between DCP or ACP modes when the upstream port is unconnected
    • Supports Galaxy charging
    • CDP mode (upstream port connected)
    • DCP mode (upstream port unconnected)
    • DCP mode complies with Chinese Telecommunications Industry Standard YD/T 1591-2009
  • Supports operation as a USB 3.1 Gen1 or USB 2.0 compound device
  • Per port or ganged power switching and over-current notification inputs
  • Supports four external downstream ports plus an internal USB 2.0 only port for USB HID to I2C functionality
  • Internal downstream port for I2C control through USB HID supports high-speed, full-speed operation
    • Its speed matches that of the upstream port
  • Supports vendor requests to read and write I2C and EEPROM read at 100k and 400k (default)
  • I2C master supports clock stretching
  • OTP ROM, serial EEPROM, or I2C/SMBus slave interface for custom configurations
    • VID and PID
    • Port customizations
    • Manufacturer and product strings (not by OTP ROM)
    • Serial number (not by OTP ROM)
  • Application feature selection using pin selection or EEPROM or I2C/SMBus slave interface
  • Provides 128-bit Universally Unique Identifier (UUID)
  • Supports on-board and in-system EEPROM programming via the USB 2.0 upstream port
  • Single clock input, 24MHz crystal or oscillator
  • Downstream ports configurable to USB 2.0 only
  • 64-pin QFN package (RGC)

Applications

  • Computer systems
  • Docking stations
  • Monitors
  • Set-top boxes

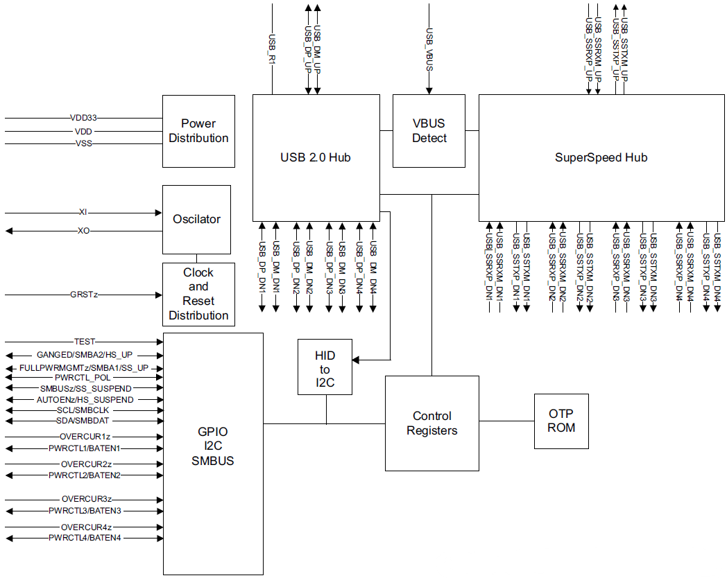
Functional Block Diagram

Block Diagram - Texas Instruments TUSB8043 SuperSpeed USB 3.1 Hub
Publicado: 2018-05-09 | Actualizado: 2022-12-30