Texas Instruments TS3A5017/TS3A5017-Q1 Analog Switches

Texas Instruments TS3A5017/TS3A5017-Q1 Dual SP4T Analog Switches offer a 3.3V/2.5V Analog Multiplexer/Demultiplexer designed to operate from 2.3 to 3.6V. The TS3A5017/TS3A5017-Q1 allows both digital and analog signals. The TS3A5017-Q1 supports powered-off protection, ensuring the signal path is high impedance when VCC=0V. This simplifies power sequencing and improves system reliability. The TS3A5017/TS3A5017-Q1 provides excellent ON-state resistance matching, low charge injection, and low total harmonic distortion. The TS3A5017-Q1 devices are AEC-Q100 qualified for automotive applications.

Features

  • AEC-Q100 Qualified for automotive applications (TS3A5017-Q1)
    • Device temperature of –40°C to 125°C, TA
    • ±1500V Device HBM classification level
    • ±1000V Device CDM classification level
  • Supports powered-off protection, I/O pins Hi-Z when VCC=0V (TS3A5017-Q1)
  • Low charge injection
  • Low ON-State resistance
  • Excellent ON-State resistance matching
  • Low Total Harmonic Distortion (THD)
  • 2.3V to 3.6V Single-supply operation
  • Latch-up performance exceeds 100mA per JESD 78, class II
  • Isolation in the powered-down mode, V+=0 (TS3A5017)

Applications

  • Sample-and-hold circuits
  • Infotainment audio and video signal routing
  • Telematics control unit

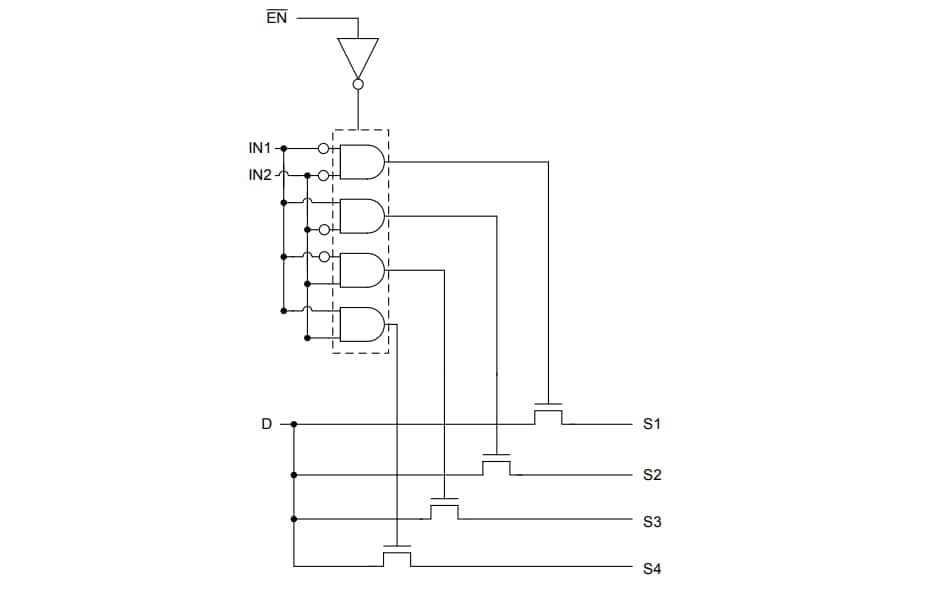
Block Diagram

Block Diagram - Texas Instruments TS3A5017/TS3A5017-Q1 Analog Switches
Publicado: 2018-11-21 | Actualizado: 2023-07-24