Texas Instruments TPS23881B PSE Controller with Autonomous Mode
Texas Instruments TPS23881B Power Sourcing Equipment (PSE) Controller with Autonomous Mode is designed to insert power onto Ethernet cables according to the IEEE 802.3bt standard. This controller includes eight independent power channels that can be configured as a combination of 2-pair (1-channel) or 4-pair (2-channel) Power over Ethernet (PoE) ports. The TPS23881B PSE controller features SRAM programmability, programmable power limiting, 200mΩ current sense resistor, and 1-bit or 3-bit fast port shutdown input. This PSE controller offers flexible processor-controlled operating modes, including auto, semi-auto, and manual/diagnostic modes.The TPS23881B controller is compatible with the TI's FirmPSE system firmware. The programmable SRAM enables in-field firmware upgradability over I2C to ensure interoperability with PoE-enabled devices and IEEE compliance. This PSE controller can detect Powered Devices (PDs) that include complete mutual identification, valid signature, and apply power. The TPS23881B controller is used in small business switches, video recorders, and branch switches.
Features
- IEEE 802.3bt PSE solution for Power over Ethernet (PoE) 2 Type 3 or Type 4 PoE applications
- Programmable SRAM memory
- Eight independent PSE channels
- 200mΩ current sense resistor
- ±2.5% programmable power limiting accuracy
- Resistor selectable autonomous operation (no external MCU required)
- Selectable 2-pair or 4-pair port power allocations:
- 15.4W, 30W, 45W, 60W, 75W, or 90W
- Single and dual signature PD compatibility
- Legacy PD capacitance measurement
- Dedicated 14-bit integrating current ADC per port:
- Noise immune MPS for DC disconnect
- 2% current sensing accuracy
- Flexible processor-controlled operating modes:
- Automatic
- Semi-automatic
- Manual/diagnostic
- Inrush and operational foldback protection
- 1-bit or 3-bit fast port shutdown input
- Auto-class discovery and power measurement
Applications
- Video recorders:
- Network Video Recorders (NVRs)
- Digital Video Redorders (DVRs)
- Small business switches
- Campus and branch switches
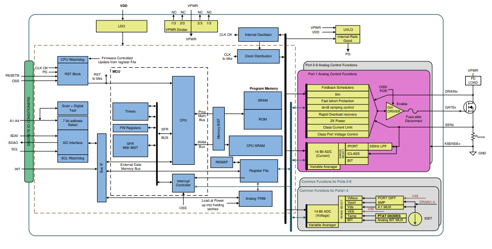
Functional Block Diagram
Simplified Schematic Diagram
Publicado: 2024-07-22
| Actualizado: 2024-07-29
