Texas Instruments INAx290/INAx290-Q1 Current Sense Amplifiers
Texas Instruments INAx290/INAx290-Q1 Ultra-Precise Current Sense Amplifiers can measure voltage drops across shunt resistors over a wide common-mode range from 2.7V to 120V. It is in a highly space-efficient SC-70 package with a PCB footprint of only 2.0mm x 2.1mm. The ultra-precise current measurement accuracy is achieved thanks to the combination of an ultra-low offset voltage of ±12µV (maximum), a small gain error of ±0.1% (maximum), and a high DC CMRR of 160dB (typical). The INAx290 /INAx290-Q1 is designed for not only DC current measurement but also high-speed applications (like fast overcurrent protection, for example) with a high bandwidth of 1MHz (at a gain of 20V/V) and an 85dB AC CMRR (at 50kHz).
The INAx290/INAx290-Q1 operates from a single 2.7V to 20V supply and draws a 370µA supply current (typical). The INAx290/INAx290-Q1 is available with five gain options: 20V/V, 50V/V, 100V/V, 200V/V, and 500V/V. The low offset of the zero-drift architecture enables current sensing with low ohmic shunts as specified over the extended operating temperature range (-40°C to +125°C). The Texas Instruments INAx290-Q1 devices are AEC-Q100 qualified for automotive applications.
Features
- Wide common-mode voltage
- 2.7V to 120V operational voltage
- -20V to +122V survival voltage
- Excellent CMRR
- 160dB DC
- 85dB AC at 50kHz
- Accuracy
- Gain
- ±0.1% (maximum) gain error
- ±5ppm/°C (maximum) gain drift
- Offset
- ±12µV (maximum) offset voltage
- ±0.2µV/°C (maximum) offset drift
- Gain
- Available gains
- 20V/V - A1 devices
- 50V/V - A2 devices
- 100V/V - A3 devices
- 200V/V - A4 devices
- 500V/V - A5 devices
- 1.1MHz high bandwidth
- 2V/µs slew rate
- 370µA quiescent current
Applications
- Active antenna system mMIMO (AAS)
- Macro remote radio unit (RRU)
- 48V rack server
- 48V merchant network and server power supply
- Test and measurement
Datasheets
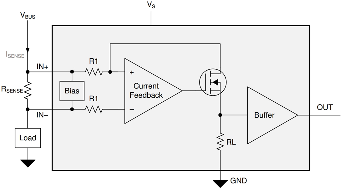
Functional Block Diagram
