Texas Instruments DRV8834/35/36 Dual Low Voltage H-Bridge ICs
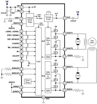
Texas Instruments DRV8834 / DRV8835 / DRV8836 Dual Low Voltage H-Bridge ICs have two H-bridge drivers and can drive one stepper motor, two DC motors, and other devices like solenoids. The output driver block of each H-bridge consists of N-channel power MOSFETs configured as an H-bridge to drive the motor windings. Each H-bridge includes circuitry to regulate or limit the winding current. TI DRV8834 / DRV8835 / DRV8836 H-bridge drivers can drive up to 1.5A continuous output current. These TI devices provide an integrated motor driver solution for toys, printers, cameras, and other low-voltage or battery-powered motion control applications.Features
- DRV8834 Features
- Dual-H-Bridge Current-Control Motor Driver
- Capable of Driving Two DC Motors or One Stepper Motor
- Two Control Modes
- Built-In Indexer Logic With Simple STEP/DIRECTION Control and Up to 1/32-Step Microstepping
- PHASE/ENABLE Control, With the Ability to Drive External References for > 1/32-Step Microstepping
- Output Current 1.5A Continuous, 2.2A Peak per H-Bridge (at VM = 5V, 25°C)
- Low RDS(ON): 305mΩ HS + LS (at VM = 5V, 25°C)
- Wide Power Supply Voltage Range:
- 2.5V - 10.8V
- Dynamic tBLANK and Mixed Decay Modes for Smooth Microstepping
- PWM Winding Current Regulation and Limiting
- Thermally Enhanced Surface Mount Package
- DRV8835 Features
- Dual-H-Bridge Motor Driver
- Capable of Driving Two DC Motors or One Stepper Motor
- Low MOSFET On-Resistance: HS + LS 305mΩ
- 1.5A Maximum Drive Current Per H-Bridge
- Bridges May Be Paralleled for 3A Drive Current
- 2V to 11V Motor Operating Supply Voltage Range
- Separate Logic and Motor Power Supply Pins
- Flexible PWM or PHASE/ENABLE Interface
- Low-Power Sleep Mode With 95nA Maximum Supply Current
- Tiny 2×3mm WSON Package
- DRV8836 Features
- Dual-H-Bridge Motor Driver
- Capable of Driving Two DC Motors or One Stepper Motor
- Low MOSFET On-Resistance: HS + LS 305mΩ
- 1.5A Maximum Drive Current Per H-Bridge
- Bridges May Be Paralleled for 3A Drive Current
- 2V to 7V Operating Supply Voltage Range
- Flexible PWM or PHASE/ENABLE Interface
- Low-Power Sleep Mode With 95nA Maximum Supply Current
- Dedicated nSLEEP Input Pin
- Tiny 2x3mm WSON Package
Applications
- DRV8834 Applications
- Battery-Powered Toys
- POS Printers
- Video Security Cameras
- Office Automation Machines
- Gaming Machines
- Robotics
- DRV8835 Applications
- Battery-Powered
- Cameras
- DSLR Lenses
- Consumer Products
- Toys
- Robotics
- Medical Devices
- DRV8836 Applications
- Battery-Powered
- Cameras
- DSLR Lenses
- Consumer Products
- Toys
- Robotics
- Medical Devices
Datasheets
Publicado: 2012-04-23
| Actualizado: 2020-12-21
