Texas Instruments CSD95420RCB Buck NexFET™ Power Stage
Texas Instruments CSD95420RCB Buck NexFET™ Power Stage is highly optimized for high-power, high-density synchronous buck converters. This product integrates the driver device and power MOSFETs to complete the power stage switching function. This combination produces high-current, high-efficiency, and high-speed switching capability in a small 4mm × 5mm outline package. The Texas Instruments CSD95420RCB integrates accurate current sensing and temperature sensing functionality to simplify system design and improve accuracy. The optimized PCB footprint helps reduce design time and simplifies the completion of the overall system design.Features
- 50A peak continuous current
- Over 94% system efficiency at 15A
- High-frequency operation (up to 1.75MHz)
- Diode emulation function
- Temperature-compensated bi-directional current sense
- Analog temperature output
- Fault monitoring
- 3.3V and 5V PWM signal compatible
- Tri-state PWM input
- Integrated bootstrap switch
- Optimized deadtime for shoot-through protection
- QFN package
- High-density
- 4mm × 5mm
- Ultra-low-inductance
- System-optimized PCB footprint
- Thermally enhanced tooling
- RoHS compliant
- Lead-free terminal plating
- Halogen Free
Applications
- Multiphase synchronous buck converters
- High-frequency applications
- High-current, low-duty cycle applications
- Point-of-load DC-DC converters
- Memory and graphic cards
- Desktop and server VR13.x / VR14.x V-Core synchronous buck converters
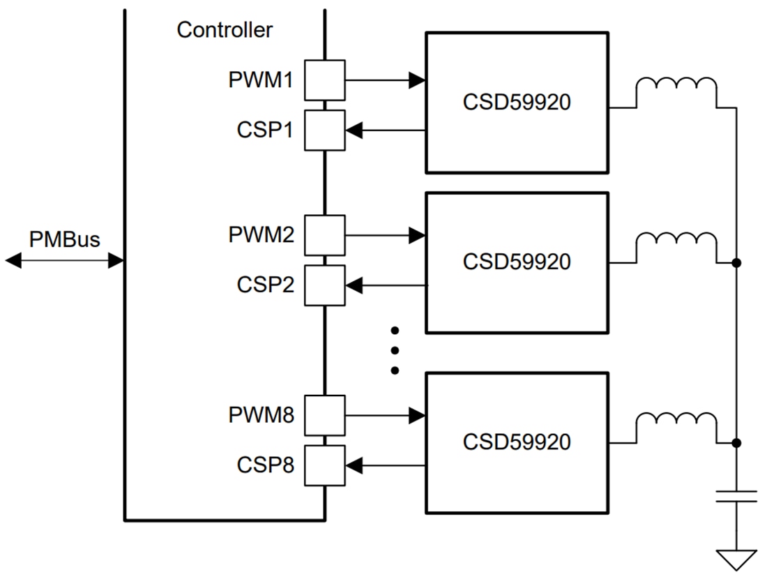
Simplified Application
Publicado: 2022-12-14
| Actualizado: 2023-01-05
