STMicroelectronics L7983 Synchronous Step-Down Switching Regulators
STMicroelectronics L7983 Synchronous Step-Down Switching Regulators deliver up to 300mA DC based on peak current mode architecture with output voltage adjustability ranging from 0.85V to VIN. These monolithic regulators offer a wide input voltage range and adjustable undervoltage lockout (UVLO) threshold to meet specifications for 12V, 24V, and 48V industrial bus standards. A soft-start time is internally fixed, and an output voltage supervisor manages the reset phase for digital loads (microcontroller, FPGA, etc.). The internal compensation network features high noise immunity, a simple design, and saves on the component cost. STMicroelectronics L7983 Synchronous Step-Down Switching Regulators operate in a -40°C to +150°C temperature range.Features
- Dynamic low consumption mode to a low noise mode selection
- Optional spread spectrum (dithering)
- Internal soft-start
- Enable / adjustable UVLO threshold
- Synchronization to the external clock
- Internal compensation network
- Internal current limiting
- Overvoltage protection
- Output voltage sequencing
- Thermal shutdown
Applications
- Designed for 12V, 24V, and 48V buses
- Battery-powered applications
- Decentralized intelligent nodes
- Fail-safe system
- Sensors and low noise applications (LNM)
Specifications
- 3.5V to 60V operating input voltage
- Fixed output voltage (3.3V and 5V) or adjustable from 0.85V to VIN
- 300mA DC output current
- 10µA operating quiescent current (L7983PU33R, VIN > 24V, LCM)
- 2.3µA shutdown current
- 200kHz to 2.2MHz programmable switching frequency
- Temperature ranges
- -40°C to +150°C operating
- -65°C to +150°C storage
- 0.3A high-side/low-side RMS switch current
Content Stream
Videos
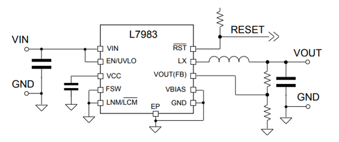
Application Circuit
Block Diagram
Publicado: 2020-11-02
| Actualizado: 2024-12-30
