STMicroelectronics L6360 IO-Link Communication Master Transceiver IC

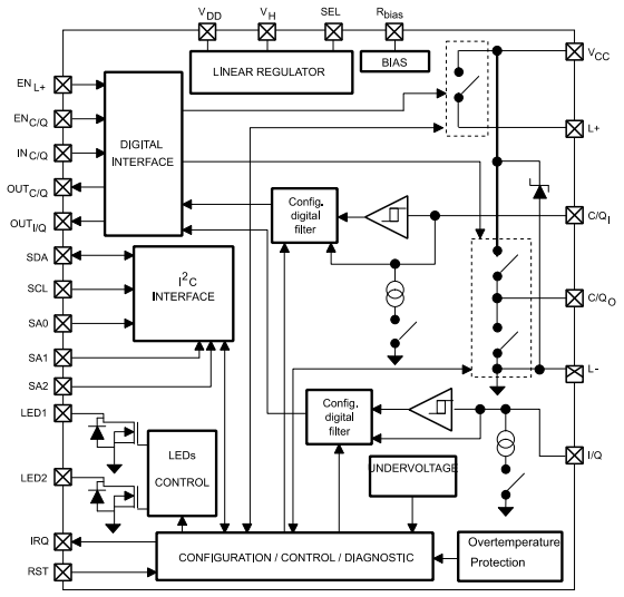
STMicroelectronics L6360 IO-Link Communication Master Transceiver IC is a master port compliant with PHY2 (3 wires) supporting COM1 (4.8kbaud), COM2 (38.4kbaud), and COM3 (230.4kbaud) modes. The C/QO output stage is programmable as high-side, low-side, or push-pull; also cutoff current, cutoff current delay time, and restart delay is programmable. Cutoff-current and cutoff-current delay time, combined with thermal shutdown and automatic restart protect the device against overload and short-circuit. The L6360 transfers, through the PHY2(C/QOpin), data received from a host microcontroller through the USART (IN C/QOpin) or to the USART (OUT C/QIpin), data received from PHY2 (C/QIpin). The L6360 has nine registers to manage the programmable parameters and the status of the IC.

Features

  • Supply voltage from 18V to 32.5V
  • Programmable output stages:
    • High-side, low-side or push-pull (<2Ω)
  • Up to 500mA L+ protected high-side driver
  • COM1, COM2, and COM3 mode supported
  • Additional IEC61131-2 type 1 input
  • Short-circuit and overcurrent output protection through current limitation and programmable cut-off current
  • 3.3V/5V and 50mA linear regulator
  • 5mA IO-Link digital input
  • Fast mode I2C for IC control, configuration, and diagnostic
  • Diagnostic dual-LED sequence generator and driver
  • 5V and 3.3V compatible I/Os
  • Overvoltage protection (>36V)
  • Overtemperature protection
  • ESD protection
  • Miniaturized VFQFPN 26L (3.5mm x 5mm x 1mm) package

Applications

  • Industrial sensors
  • Factory automation
  • Process control

L6360 IO-Link Block Diagram

Block Diagram - STMicroelectronics L6360 IO-Link Communication Master Transceiver IC
Publicado: 2012-08-14 | Actualizado: 2022-03-11