STMicroelectronics PM8804 Power Switch IC
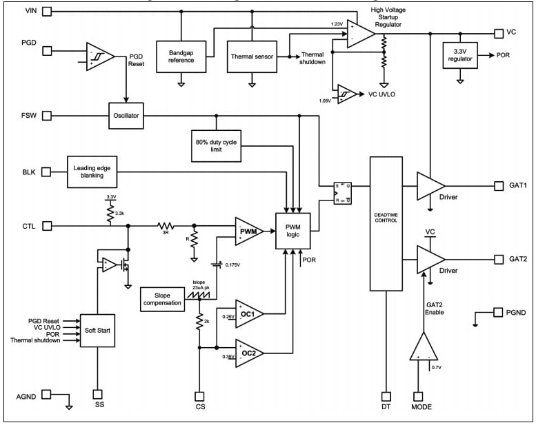
STMicroelectronics PM8804 Power Switch IC is a PWM peak current mode controller that integrates all the circuitry required to design a smart and efficient 48V converter. The internal high-voltage linear regulator with a typical 20mA output current allows the device to start up with a minimum of external components. The PM8804 controller features programmable oscillator, adjustable slope compensation, dual complementary low-side drivers with programmable dead-time, programmable soft-start, soft turn-off, and a programmable current sense blanking-time. This controller is ideal for IP phones, WLAN access points, network cameras, and telecom mid-power applications.Features
- PWM peak current mode controller
- Input operating voltage up to 75V
- 80% maximum duty cycle with internal slope compensation
- Internal pull-up resistor on CTL pin enables the optocoupler connection
- Internal high-voltage start-up regulator with 20mA current capability
- Programmable dead time from 10ns to 200ns between GATE1 and GATE2
- Operating current consumption <1.5mA
- Current sense with programmable blanking time up to 200ns
- Programmable fixed frequency up to 1MHz
- Soft-start up with settable time
- Soft turn off (optionally disabled)
- Dual low-side complementary gate drivers
- Gate drivers have 1A peak capability
- GATE2 optionally turned off for reduced consumption
- Embedded protections:
- Severe overcurrent protection with latch after 4 events
- Delayed overload protection with automatic restart
- Feedback disconnection (OV) protection on VC
- Thermal shutdown
- High-efficiency topologies:
- Flyback forward
- Flyback with synchronous rectification
- Flyback with active clamp
- Forward with active clamp
Applications
- PoE powered devices:
- IP phones
- WLAN access points
- Network cameras
- Telecom power supplies
PM8804 Block Diagram
Publicado: 2018-06-28
| Actualizado: 2023-02-12
