STMicroelectronics LNBH26S Dual LNBS Supply and Control IC

STMicroelectronics LNBH26S Dual LNBS Supply and Control IC is a monolithic voltage regulator and interface IC housed in a QFN-24 4x4mm package. The LNBH26S is intended for analog and digital dual satellite receivers/Sat-TV, and Sat-PC cards.

The IC provides the 13/18V power supply and 22kHz tone signaling to the LNB down-converter in the antenna dishes or to the multiswitch box. The LNBH26S is a complete solution for dual tuner satellite receivers with extremely low component count, low power dissipation and I²C standard interfacing.

Features

  • Complete interface between LNB and I²C bus
  • Built-in DC-DC converter for single 12V supply operation and high efficiency (typ. 93% @ 0.5A)
  • Selectable output current limit by external resistor
  • Compliant with main satellite receiver output voltage specification (15 programmable levels)
  • Accurate built-in 22kHz tone generator suits widely accepted standards
  • 22kHz tone waveform integrity guaranteed at no-load condition as well
  • Low drop post regulator and high efficiency step-up PWM with integrated power NMOS allowing low power losses
  • LPM function (low power mode) to reduce dissipation
  • Overload and overtemperature internal protection with I²C diagnostic bits
  • LNB short-circuit dynamic protection
  • +/- 4kV ESD tolerant on output power pins

Applications

  • STB satellite receivers
  • TV satellite receivers
  • PC card satellite receivers

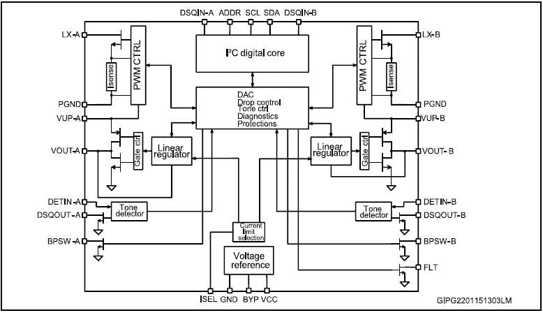
Block Diagram

Block Diagram - STMicroelectronics LNBH26S Dual LNBS Supply and Control IC
Publicado: 2016-10-18 | Actualizado: 2022-03-11