STMicroelectronics LM2903 Low-Power Dual Voltage Comparator

STMicroelectronics LM2903 Low-Power Dual Voltage Comparator consists of two independent low-power voltage comparators designed to operate from a single supply over a wide range of voltages. Operation from split power supplies is also possible. The STMicroelectronics LM2903 also has a unique characteristic: the input common-mode voltage range includes the negative rail, even though it is operated from a single power supply voltage.

Features

  • Wide single supply voltage range or dual supplies +2V to +36V or ±1V to ±18V
  • Low supply current (0.4mA) independent of the supply voltage (1mW/comparator at +5V)
  • 25nA (typ.) low input bias current
  • ±5nA (typ.) low input offset current
  • Input common-mode voltage range includes negative rail
  • 250mV (typ.) (IO = 4mA) low output saturation voltage
  • Differential input voltage range equal to the supply voltage
  • TTL, DTL, ECL, MOS, CMOS compatible outputs
  • Automotive qualification

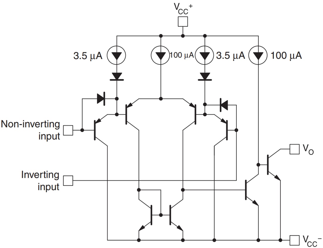
1/2 Schematic Diagram

Schematic - STMicroelectronics LM2903 Low-Power Dual Voltage Comparator
Publicado: 2019-06-14 | Actualizado: 2024-03-05