Sensirion SGP41 CMOSens®/MOXSens® Digital Air Quality Sensor

Sensirion SGP41 CMOSens®/MOXSens® Digital Air Quality Sensor is a complete, easy-to-use sensor system on a single chip featuring a digital I2C interface and temperature-controlled micro hotplates, providing one VOC and one NOx based indoor air quality signal. The sensing element and Gas Index Algorithm feature high robustness against contaminating gases present in air-quality applications enabling unique long-term stability and low drift. Measuring 2.44mm2 x 0.85mm, the DFN packaged gas sensor enables applications in limited spaces. The Sensirion SGP41 CMOSens®/MOXSens® Digital Air Quality Sensor is designed for easy integration into air purifiers or demand-controlled ventilation systems.

Features

  • MOx-based gas sensor for air quality applications
  • Long-term stability and lifetime (>10 years)
  • I2C interface with digital output signals
  • Small 6-pin DFN package measuring 2.44mm2 x 0.85mm
  • Low power consumption of 3.2mA at 3.3V
  • Reflow solderable

Applications

  • Demand-controlled ventilation systems
  • Air purifiers
  • Air exchange units
  • Kitchen hoods

Specifications

  • Performance
    • Output signal range
      • 500 VOC and NOx index points
      • 65,535 ticks, digital raw value
    • Measurement ranges
      • 0 to 1,000,000ppb Ethanol in clean air, 500ppb to 10,000ppb specified
      • 0 to 10,000ppb NO2 in clean air, 50ppb to 650ppb specified
    • Device-to-device variation
      • <±15 VOC index points
      • <±50 NOx index points
    • Repeatability
      • <±5 VOC index points
      • <±10 NOx index points
    • 0.5s to 10s sampling interval range
  • Electrical
    • 1.7V to 3.6V supply voltage range
    • 105µA maximum idle current
    • 3.2mA to 6.9mA operation supply current range
  • Timing
    • 0.6ms maximum power-up and soft reset time, 0.4ms typical
    • 400kHz SCL clock frequency
  • Temperature ranges
    • -10°C to +50°C operating
    • +5°C to +30°C storage
  • Relative humidity
    • 0 to 90% operating
    • 0 to 80% storage

Videos

Block Diagram

Block Diagram - Sensirion SGP41 CMOSens®/MOXSens® Digital Air Quality Sensor

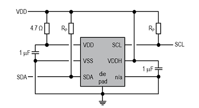
Application Circuit

Application Circuit Diagram - Sensirion SGP41 CMOSens®/MOXSens® Digital Air Quality Sensor
Publicado: 2021-10-21 | Actualizado: 2023-03-27