Semtech Circuit Protection Ethernet Shield

Semtech Circuit Protection Ethernet Shields are products for TVS solutions that are optimized for specific data interfaces. The Shield series of TVS devices from Semtech have been tested to safeguard the latest silicon transceivers for their respective interfaces. They enable the designs with a faster time to market.

Features

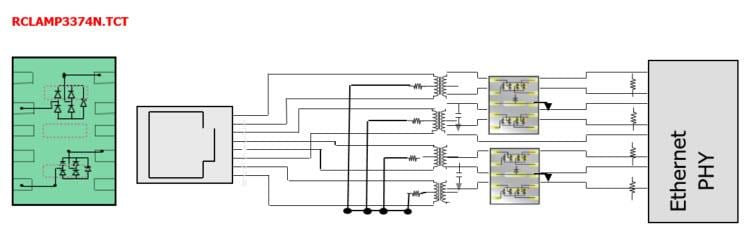
  • RCLAMP3374N.TCT
    • 3.3V working voltage
    • 1.7pF capacitance i/o to i/o
    • Routing possible on one signal layer
    • Low-clamping voltage performance
    • 40A surge rating Ipp (8x20µs)
  • RCLAMP0512TQTCT, RCLAMP0512TQTNT
    • 5V working voltage
    • 1.1pF capacitance i/o to i/o
    • Routing possible on one signal layer
    • Low-clamping voltage performance
    • 20A surge rating Ipp (8x20µs)
    • AEC-Q100 qualified for automotive
  • RCLAMP2502L.TBT
    • 2.5V working voltage
    • 5pF max capacitance
    • 40A surge rating Ipp (8x20us)
    • Flow-through trace routing
  • RCLAMP3354S.TCT
    • 3.3V working voltage
    • 4-line protection
    • 25A surge immunity (8x20µs)
    • Low-clamping voltage
    • Industry standard SOT-23 package

Block Diagrams

Publicado: 2020-11-18 | Actualizado: 2024-12-05