ROHM Semiconductor Clockless Link™ Interface ICs
ROHM Semiconductor Clockless Link™ Interface ICs are designed to serialize the parallel data and transfers by the differential lines of one pair. This one-pair transfer interface significantly reduces the number of cables. The Clockless Link interface ICs feature a high-speed differential serial interface, embedded clock interface, and low EMI transmission. These ICs have a data transmission rate of 0.960Gbps to 1.630Gbps and an operating temperature range of -40ºC to 85ºC. The Clockless Link interface ICs are ideal for car navigation and printer display interfaces.Features
- High-speed differential serial interface
- Embedded clock interface
- No lock condition signal
- No reset signal
- Low EMI transmission by original DC balance protocol and scrambling
- 2.3V to 3.6V I/O voltage range
- 0.960Gbps to 1.630Gbps transmission data rate
- 0.720Gbps to 1.224Gbps effective throughput
- 30MHz to 51MHz clock frequency range
- -40ºC to 85ºC operating temperature range
- VQFP48 package (9.00mm x 9.00mm x 1.63mm)
Applications
- Car navigation display interface
- Printer display interface
Clockless Link Interface ICs Block Diagram
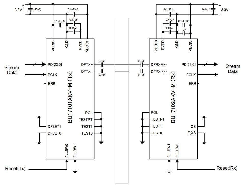
Clockless Link Interface ICs Application Circuit
Clockless Link Interface ICs Dimensions (mm)
Publicado: 2018-03-15
| Actualizado: 2023-03-10
