Richtek RT6190 4-Switch Buck-Boost Controller

Richtek RT6190 4-Switch Bidirectional Buck-Boost Controller is intended for USB power delivery (USB PD). The device operates with a 4.5V to 36V wide input voltage range, and the output voltage can be programmable between 3V and 36V. The RT6190 enables a peak current mode control mechanism with the programmable constant voltage (CV) and constant current (CC) output to support USB-PD 3.0 SPR mode and 3.1 EPR mode. Furthermore, the RT6190 also features built-in charge pumps for driving external low-cost N-MOSFETs to control the power path. With an I2C-compatible interface, the RT6190 facilitates many programmable functions, including CV/CC output, switching frequency, and cable voltage drop compensation. Moreover, the RT6190 integrates complete protection options such as input UVLO, over/under voltage protection, cycle-by-cycle current limit, short circuit protection, and over-temperature protection.

The Richtek RT6190 is housed in a WQFN-40L 5x5 package.

Features

  • Support USB-PD 3.0 SPR mode and 3.1 EPR mode
  • Integrated buck-boost controller:
    • Wide 4.5V to 36V input voltage range
    • Wide 3V to 36V output voltage range
    • Peak current mode control
    • Programmable switching frequency (250kHz to 1MHz)
    • Power saving mode enables higher light load efficiency
  • AnyPower™ for constant voltage (12.5mV/step, typical) and constant current (in 9-Bit resolution) output settings
  • Embedded 2nd OCP function
  • Bi-directional power delivery for forward operation and reverse operation
  • I2C compatible interface
  • Adjustable soft-start time
  • Programmable cable voltage drop compensation
  • Built-in bleeders for quick VBUS discharge
  • Power good indicator
  • Fully protected with UVLO, OVP, UVP, OCP, cycle-by-cycle current limit, and OTP
  • WQFN-40L 5x5 package

Applications

  • Monitors
  • USB Power delivery
  • Power banks

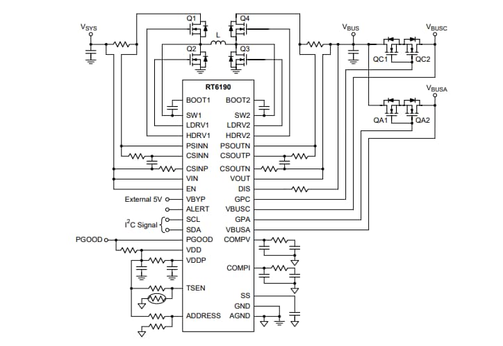
Simplified Application Circuit

Application Circuit Diagram - Richtek RT6190 4-Switch Buck-Boost Controller

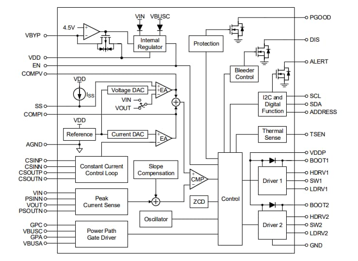
Functional Block Diagram

Block Diagram - Richtek RT6190 4-Switch Buck-Boost Controller

Videos

Publicado: 2023-06-30 | Actualizado: 2023-08-04