Qorvo QPQ6108 FDD Band 8 TC-SAW Duplexers

Qorvo QPQ6108 FDD Band 8 TC-SAW Duplexers are high-performance, Temperature Compensated Surface Acoustic Wave (TC-SAW) duplexers designed for Band 8 uplink/downlink applications. The QPQ6108 Duplexers feature a low insertion loss and high rejection, making them ideal for small cells, Band 8, and LTE dongles. The Qorvo QPQ6108 FDD Band 8 TC-SAW Duplexers are available in a compact, RoHs compliant 2.00mm x 2.50mm x 0.87mm surface-mount package (SMP).

Features

  • 35MHz Bandwidth - band 8 uplink & downlink
  • Temperature compensated
  • High attenuation
  • Low loss
  • No external matching required
  • Single input, single output operation
  • Small size of 2.00mm x 2.50mm x 0.87mm
  • Surface Mount Package (SMP)
  • RoHS compliant, Pb-Free

Applications

  • Band 8
  • Base station infrastructure
  • Small cells
  • Repeaters
  • Routers
  • LTE Dongles
  • General purpose wireless

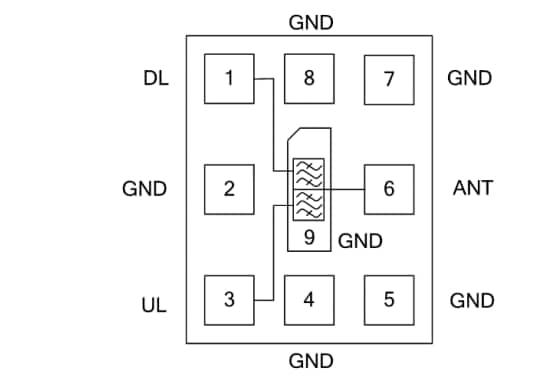
Functional Block Diagram

Block Diagram - Qorvo QPQ6108 FDD Band 8 TC-SAW Duplexers
Publicado: 2021-01-13 | Actualizado: 2022-03-11