onsemi / Fairchild FSB50825AB Smart Power Module

onsemi / Fairchild FSB50825AB Smart Power Module (SPM®) is a compact inverter solution for small power motor drive applications. This module includes six Fast-Recovery MOSFETs (FRFET) and three half-bridge High Voltage Integrated Circuits (HVICs) for FRFET gate driving. The FSB50825AB provides low EMI characteristics with optimized switching speed. This SPM features an embedded bootstrap diode and is available in an SPM23DD-21L package. The SPM23DD-21L package is optimized for thermal performance and compactness to make it suitable for built-in motor applications. This SPM includes three divided negative DC-link terminals for inverter current sensing applications. The onsemi / Fairchild FSB50825AB SPM is ideal for a three-phase inverter driver for small power AC motor drives.

Features

  • 250VRDS(on)=0.45Ω (max) 3-phase FRFET inverter including High Voltage Integrated Circuit (HVIC)
  • Three divided negative DC-link terminals for inverter current sensing applications
  • HVIC for gate driving and under-voltage protection
  • Optimized for low electromagnetic interference
  • Isolation voltage rating of 1500VRMS for 1min
  • HVIC temperature sensing
  • An embedded bootstrap diode in the package
  • RoHS compliant

Specifications

  • 20V control supply voltage (VCC)
  • -0.3 ~ VCC +0.3V input signal voltage (VIN)
  • 250V (maximum) repetitive reverse voltage (VRRMB)
  • 0.5A forward current (IFB) @ TC=25ºC
  • -40ºC ~ 150ºC operating junction temperature (TJ)

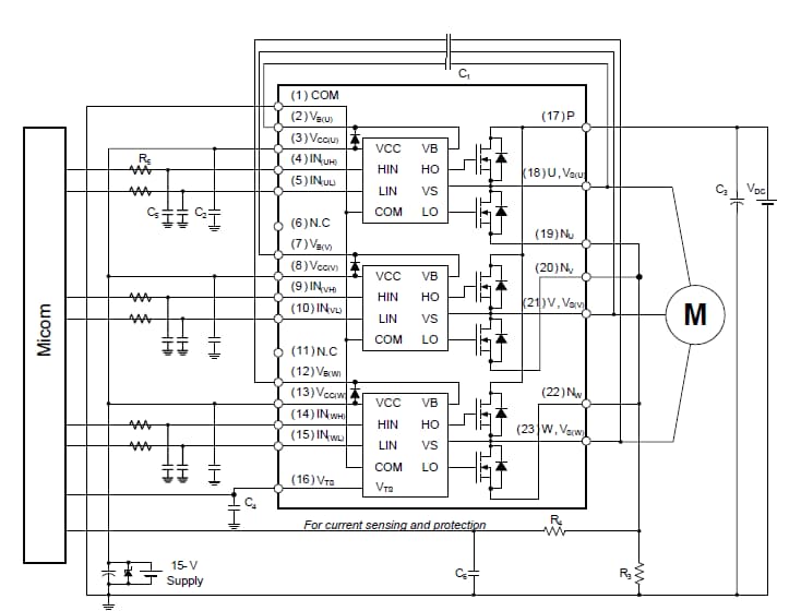
Application Circuit

Application Circuit Diagram - onsemi / Fairchild FSB50825AB Smart Power Module
Publicado: 2017-04-06 | Actualizado: 2022-03-11