Nexperia BUK7Y1R0-40N & BUK7Y3R1-80M N-Channel MOSFETs
Nexperia BUK7Y1R0-40N and BUK7Y3R1-80M N-Channel MOSFETs are designed and qualified to meet AEC-Q101 requirements, delivering high performance and endurance. These MOSFETs offer fast and efficient switching with optimal damping and low spiking. The BUK7Y1R0-40N and BUK7Y3R1-80M N-channel MOSFETs are encapsulated within LFPAK56 packages. The BUK7Y1R0-40N N-channel MOSFET utilizes the Trench 15 low-ohmic enhanced-Trench Bottom Oxide (e-TBO) technology, while the BUK7Y3R1-80M employs the Trench 14 low-ohmic split-gate technology. These N-channel MOSFETs are EU RoHS-compliant and feature a 175°C maximum junction temperature range. Typical applications include motors, lighting, and solenoid control, 12V automotive systems, and ultra-high-performance power switching.Features
- Fully automotive qualified to AEC-Q101 (175°C rating suitable for thermally demanding environments)
- LFPAK gull-wing leads:
- High board-level reliability absorbing mechanical stress during thermal cycling
- Visual (AOI) soldering inspection
- LFPAK copper clip technology:
- Improved reliability, with reduced Rth, RDSon, and package inductance
- Increases maximum current capability
- Improved current spreading
- EU RoHS-compliant
Applications
- 12V automotive systems
- Motor, lighting, and solenoid control
- Ultra high-performance power switching
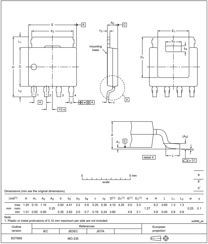
Package Outline
View Results ( 2 ) Page
| N.º de artículo | Hoja de datos | Estilo de montaje | Paquete / Cubierta | Número de canales | Vds - Tensión disruptiva entre drenaje y fuente | Id - Corriente de drenaje continua | Rds On - Resistencia entre drenaje y fuente | Vgs - Tensión entre puerta y fuente | Vgs th - Tensión umbral entre puerta y fuente | Qg - Carga de puerta | Dp - Disipación de potencia | Configuración | Tipo de transistor | Tiempo de caída | Tiempo de subida | Tiempo de retardo de apagado típico | Tiempo típico de demora de encendido |
|---|---|---|---|---|---|---|---|---|---|---|---|---|---|---|---|---|---|
| BUK7Y3R1-80MX | ![]() |
SMD/SMT | Power-SO8-4 | 1 Channel | 80 V | 160 A | 3.1 mOhms | - 20 V, 20 V | 4 V | 70 nC | 254 W | Single | Trench 14 Low Ohmic Split-Gate MOSFET | 22 ns | 19 ns | 38 ns | 20 ns |
| BUK7Y1R0-40NX | ![]() |
SMD/SMT | Power-SO8-4 | 1 Channel | 40 V | 320 A | 970 uOhms | - 20 V, 20 V | 3.6 V | 135 nC | 268 W | Single | Enhanced-Trench Bottom Oxide (e-TBO) MOSFET | 58 ns | 49 ns | 79 ns | 25 ns |
Publicado: 2024-02-14
| Actualizado: 2024-02-29

