NexCOBOT ICES675S Computer-On-Module (COM)

NexCOBOT ICES675S Computer-On-Modules (COM) is a COM Express Type 6-pinout basic module that supports Intel® 8/9th generation Intel Core™ processors. This device features an Intel C240 series PCH chipset, socket 1511, DDR4 with ECC or non-ECC SO-DIMM 2666MHZ up to 32GB. The ICES675S COM integrated Intel HD graphics engines expand via PCI Express graphic 1 x 16 lanes and support three Digital Display Interfaces (DDI). This module supports 1 x GBE LAN, 4 x USB 3.1 GEN1, 8 x USB 2.0, 4 x SATA 3.0, 2 x UART(TX/RX), HD audio, 8-bit DIO, and TPM (optional) ICEB 8060. The ICES675S COM operates at 0°C to 60°C temperature range and meets CE/FCC Class B certifications.

Features

  • 8/9th generation Intel® Core™ processors, socket 1511, and PCH C246
  • 2 channel DDR4 with ECC or non-ECC SO-DIMM 2666MHz up to 32GB
  • Support triple display VGA, 2 x DP, and eDP/LVDS 24-bit dual channel
  • PCI express lane x16 (configurable: “1 x16” ; “2 x8” ; “1 x8 + 2 x4”)
  • PCI express lane x1 (Gen 3) and 8x (can be configured x1 and x4)
  • IO: 2 x UART (RX/TX), 8-bit DIO, WDT, and TPM (optional)

Specifications

  • CPU support:
    • 8/9th Intel® (Coffee Lake-S) Xeon® and Core™ i7/ i5 /i3 processor and LGA1151 socket, and TDP max 65W
    • CPU support list:
      • 35W: Xeon E-2278GEL (8C) (with ECC)
      • 65W: i7-8700 (6c)/i5-8500 (6c)/i3-8100 (4c) (with ECC)
      • 35W: i7-8700T (6c)/i5-8500T (6c)/i3-8100T (4c) (with ECC)
      • 35W: i7-9700TE (8c)/i5-9500TE (6c)/i3-9100TE (4c) (with ECC)
    • PCH C246
  • Dual channel DDR 4 SO-DIMM memory socket with non-ECC support, up to 32GB 2666MHz, ECC support as an option with Intel i3-8100, i3-8100T, and i3-9100TE
  • Display:
    • Integrated Intel Gen9 graphics graphic engine
    • 1 x VGA connector (resolution up to 1920 x 1080 @ 60Hz)
    • 1 x LVDS connector (resolution up to 1920 x 1080 @ 60Hz)
    • DDI 1/2 port configurable to HDMI 1.4/DVI/Display port 1.4 HDMI up to 4096 x 2160 @ 30Hz/24bpp, DVI up to 1920 x 1200 @ 60Hz, and DP up to 4096 x 2304 @ 60Hz
  • AMI (UEFI) BIOS
  • COM Express connector:
    • AB: LVDS: (LVDS/eDP co-lay), VGA: (VGA/DDI port3 co-lay), 1 x GbE LAN, 6 x PCIex1, HD audio, 4 x SATA III, 8 x USB 2.0, LPC Bus, SM Bus/I2C, 2 x COM, and GPIO 8-bit
    • CD: DDI1, DDI2, 1 x PCIe x16, 2 x PCIe x1, and 4 x USB 3.0
  • Power requirement:
    • +12VDC and +5Vsb
    • Support both AT and ATX power supply mode
  • 125mm x 95mm dimensions
  • 0°C to 60°C board-level operation temperature range
  • Relative humidity:
    • 10% to 95% (operating, non-condensing)
    • 5% to 95% (non-operating, non-condensing)
  • Meet CE/FCC Class B certifications

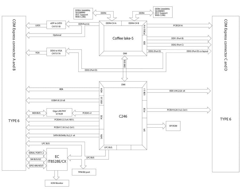
Block Diagram

Block Diagram - NexCOBOT ICES675S Computer-On-Module (COM)

Module Overview

NexCOBOT ICES675S Computer-On-Module (COM)
Publicado: 2024-10-07 | Actualizado: 2024-10-21