Mpression ALTDPEB Double Pulse Evaluation Board
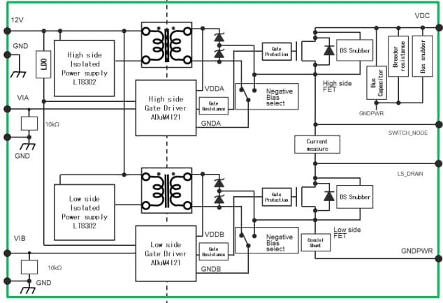
Mpression ALTDPEB Double Pulse Evaluation Board is designed for double pulse evaluation of power switching devices such as SiC FETs. This board consists of a half-bridge circuit with gate drivers and power supply circuits. The ALTDPEB board is compatible with various probes and current sensors. This board is equipped with an adjustable gate drive isolated power supply (∼25V/Zener diode selected), and zero volt bias or negative volt bias can be set with a jumper. The ALTDPEB board consists of a Miller clamp with a built-in driver IC and also supports double pulse evaluation up to 1700V and 150A.Features
- Supports double pulse evaluation up to 1700V and 150A
- Prepared through-holes compatible with TO-247-4L and TO-247-3L
- Single +12V supply operation
- Equipped with adjustable gate drive isolated power supply (∼25V/Zener diode selected)
- Zero volt bias or negative volt bias set with a jumper
- Miller clamp with built-in driver IC
- VDS and VGS probing equipped with connectors and probe contacts for optically isolated probes
- CT, coaxial shunt resistor, and Rogowski coil are used for current sensors
Block Diagram
Publicado: 2023-06-06
| Actualizado: 2023-06-13
