Microsemi / Microchip Le87557 Single Channel Differential Amplifier
Microsemi / Microchip Le87557 Single Channel Differential Amplifier is designed to drive full rate VDSL2, ADSL2+, and PLC high-power signals. The Le87557 device contains a pair of wide-band amplifiers designed with Microsemi’s HV15 bipolar SOI process for high-power output with low power consumption. Line driver gain is set externally to the device, and it can be powered from a single high-voltage supply or from dual supplies. The device can be programmed to one of three preset bias levels to optimize power and performance. Also, the line driver features a power-down state, which forces low-power and high-impedance modes for receive transmissions or for idle operations. The control pins respond to input levels that can be generated with a standard GPIO but are tolerant of higher voltage logic levels.Features
- Designed to drive full rate VDSL2, ADSL2+, and PLC high-power signals
- Contains a pair of wide-band amplifiers
- Line driver gain is set externally
- Powered from a single high-voltage supply or from dual supplies
- Programmed to one of three preset bias levels to optimize power and performance
- Power down state, forces low-power and high-impedance mode for receive transmissions or idle operations
- Control pins respond to input levels that can be generated with a standard GPIO
Applications
- VDSL2 line drivers
- ADSL2+ CPE line drivers
- G.SHDSL, HDSL2 line drivers
- Power Line Communications (PLC)
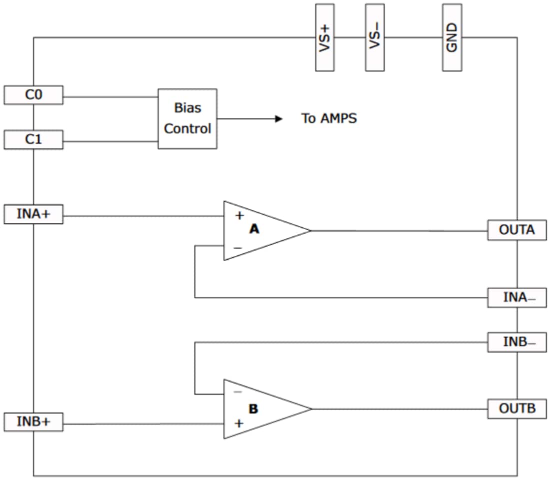
Block Diagram
Publicado: 2019-10-30
| Actualizado: 2023-06-20
