Microchip Technology ECE1200 eSPI-to-LPC Bridge
Microchip ECE1200 eSPI to LPC Bridge implements the eSPI standard in boards with legacy LPC connectors and peripherals. The architecture and development of the ECE1200 ensure that industrial and embedded requirements would scale across Intel Atom®, Intel Core™, and Intel Xeon® platforms. These key requirements include industrial temperature support and compatibility with existing deployed modular LPC-based systems, with simultaneous eSPI and LPC support for new system architectures.The ECE1200 is directly powered by two Suspend (S5) supply planes, at 3.3V and 1.8V nominal. The 1.8V supply is provided on two sets of pins, the VTR_18 for I/O pins and the VTR_18_CORE for internal logic. The 3.3V supply VTR_33 is for 3.3V I/O pins only. The ECE1200 senses a Runtime power plane (VCC) using the pin LPC_EN, which is intended to come from the PCH_PWROK signal supplied by the system. The device uses this to emulate VCC-powered functionality on the appropriate pins to avoid back drives in the system.
The ECE1200 eSPI to LPC Bridge is simple to use and does not require any software. The ECE1200 detects and supports Modern Standby mode with low standby current, managing operating costs and efficiencies while maintaining the features end-users expect from modern devices.
Features
- Detects and supports modern standby state
- ACPI 6.1 compliant
- Supports LPC-based SIO and EC devices such as SCH311x, SCH322x
- 40-pin VQFN package
- eSPI peripheral channel cycles in 64K I/O space will pass through as LPC I/O cycles, except for the local Plug-and-Play INDEX/DATA portal registers
- -40°C to +85°C temperature range
Applications
- Automation
- Printers
- Information kiosks
- POS terminals
- ATMs
- Gaming
- VR glasses
- Digital signs
- Street lights
- Transportation
- Single board computer
- Industrial PC
- PC/104
- Com express
Typical Application
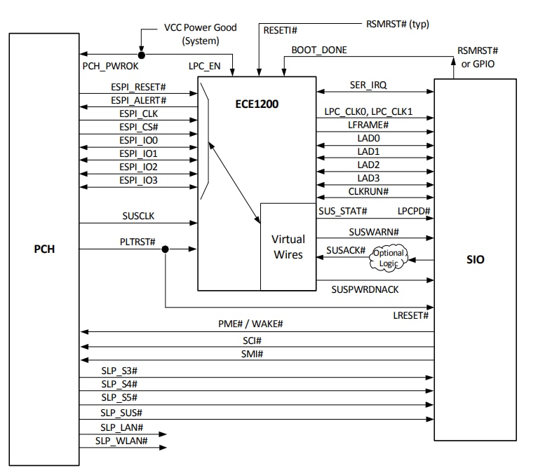
Block Diagram
