MEMSIC MMC3416PJ-B Prototyping Board
MEMSIC MMC3416PJ-B Prototyping Board offers a convenient and easy way to evaluate and prototype with the MMC3416PJ three-axis magnetic sensor. The magnetic sensor and passive components required operations are SMT mounted on the board. The communication, power, and ground pins of the MEMSIC MMC3416PJ SMT device are brought out to standard 0.10" on center connections on the sides of the board. Wires can be soldered directly to the board or DIP pins can be used with widely available breadboard kits.Features
- Convenient and easy way to evaluate and prototype with the MMC3416PJ 3-axis magnetic sensor
- Components needed for operations are SMT mounted on the board
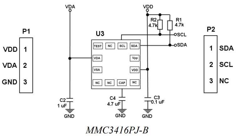
Schematic
Dimensions
Publicado: 2017-02-14
| Actualizado: 2022-05-16
