IXYS Integrated Circuits CPC7601 16-Channel High Voltage Analog Switch
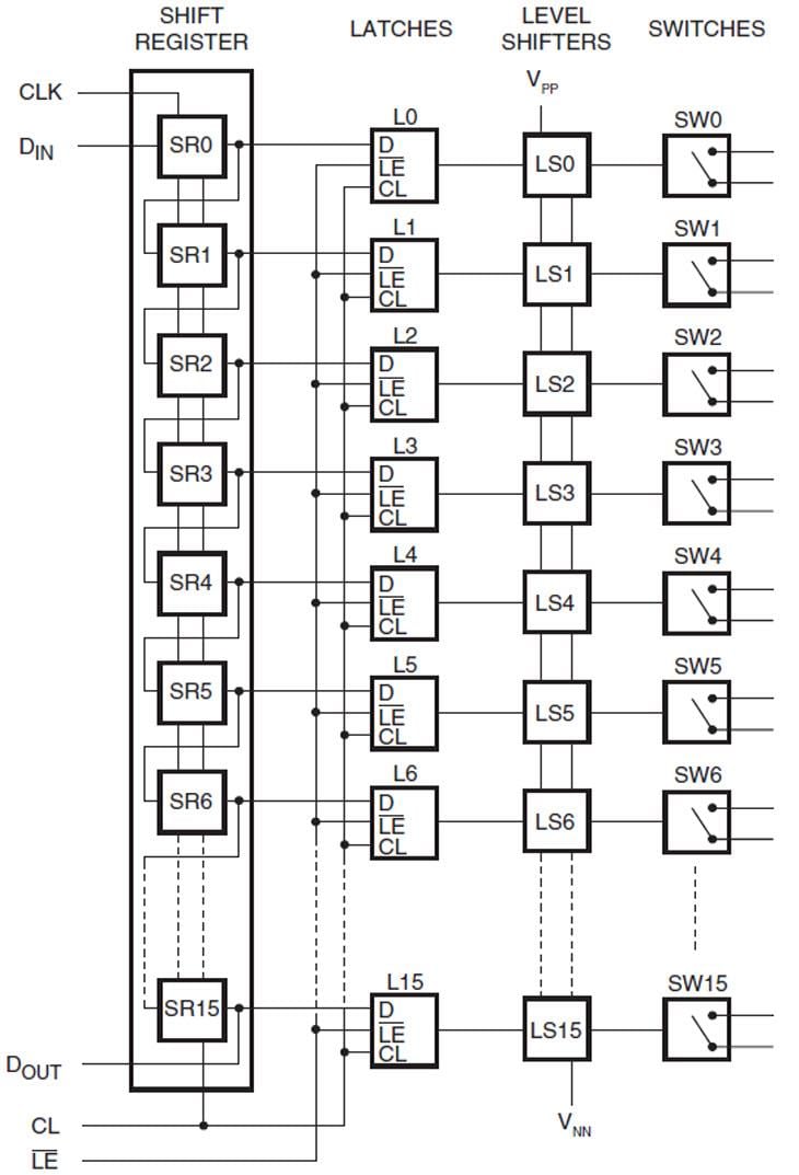
IXYS Integrated Circuits CPC7601 16-Channel High Voltage Analog Switch is a low charge injection integrated circuit (IC) for high voltage switching applications. The CPC7601 controls high voltage switching using low voltage CMOS logic level inputs. These inputs allow for direct connectivity to the system controller. Designers can manage switch manipulation with the 16-bit serial to parallel shift register. The outputs are buffered and stored by a 16-bit transparent latch. Level shifters buffer the latch outputs and operate the high voltage switches. IXYS CPC7601 16-Channel High Voltage Analog Switch is ideal for ultrasound Imaging, printers, industrial controls and measurement, and piezoelectric transducer drivers.Features
- Processed with BCDMOS on silicon on insulator (SOI)
- Flexible high voltage supplies up to VPP-VNN = 200V
- DC to 10MHz analog signal frequency
- 60dB minimum output-off isolation at 5MHz
- Low quiescent power dissipation (<1µA typical)
- Low output on-resistance
- Adjustable high voltage supplies
- Surface-mount package
Applications
- Ultrasound Imaging
- Printers
- Industrial controls and measurement
- Piezoelectric transducer drivers
Block Diagram
Publicado: 2016-04-26
| Actualizado: 2022-03-11
