Infineon Technologies ISOFACE™ Digital Isolators

Infineon Technologies ISOFACE™ Digital Isolators are based on Coreless Transformer (CT) technology and provide robust high-voltage isolation for various applications. These digital isolators continue replacing the traditional galvanic isolation transformer and optoisolator as the predominant functional and safety isolation form. The ISOFACE™ digital isolators are dual-channel isolators that support data rates of up to 40Mbps and operate at -40°C to 125°C temperature range. Features include low current consumption, high isolation, signal robustness, and accurate timing performance. These isolators are used in servers, telecom and industrial SMPS, industrial automation systems, medical equipment, motor drives, and solar inverters.

Features

  • Two data channels in an NB DSO-8 package
  • Low current consumption
  • High isolation and signal robustness
  • Accurate timing performance
  • Variants with:
    • Default high and low output state
    • Fixed or variable input thresholds
  • Efficiency gain and PCB space savings
  • Safe and reliable operation
  • Signal integrity
  • Regulatory safety
  • Higher system efficiency in simplified and high power density designs
  • Reliable system operation in noisy environments with a trusted isolation solution
  • Stable system operation with predictable data communication
  • Simplified system safety approval EN and CQC certification (IEC 62368-1, IEC 60601-1, IEC 61010-1, and GB4943.1)

Applications

  • Server, telecom, and industrial SMPS
  • Industrial automation systems
  • Medical equipment
  • Motor drives
  • Solar inverters

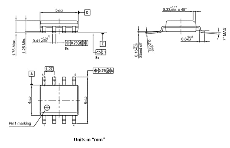
Mechanical Drawing

Mechanical Drawing - Infineon Technologies ISOFACE™ Digital Isolators
Publicado: 2023-06-26 | Actualizado: 2024-09-17