
Infineon Technologies EVAL-PFC5KIKWWR6SYS Evaluation Board
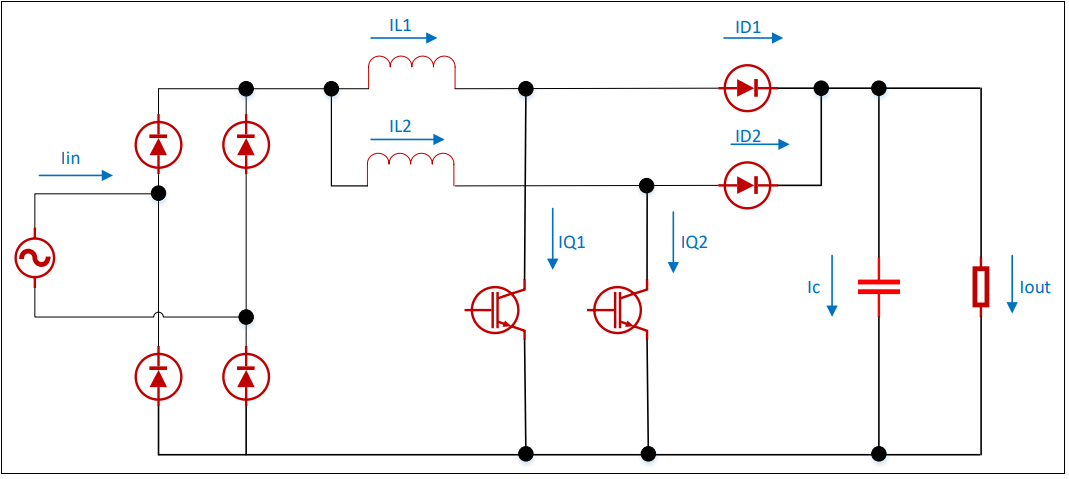
Infineon Technologies EVAL-PFC5KIKWWR6SYS Evaluation Board is a fast-switching, analog-controlled, power factor correction (PFC) converter. The board features the TRENCHSTOP™ 5 WR6 IGBT (IKWH40N65WR6). The EVAL-PFC5KIKWWR6SYS demonstrates the use of the WR6 IGBT at very high switching frequencies that offer many system benefits. These benefits include a smaller PFC choke, overall reduced system size, and lower bill of material (BOM) cost.Features
- Two-channel boost converters
- High-speed 650V, 40A reverse conducting TRENCHSTOP™ 5 WR6 IGBT in a TO-247-3-HCC package
- Gate driver ICs for WR6 IGBTs
- Rapid1 power silicon diode as boost output diode
- Loss-free current monitoring for switching current
- 15V auxiliary power supply
- Connectors for easy setup
Block Diagram

Publicado: 2022-07-14
| Actualizado: 2022-07-25