Diodes Incorporated AP9101C Single Chip Solution
Diodes Inc. AP9101C Single Chip Solution for 1-Cell Li+ Battery Pack is a protection IC developed for lithium-ion/lithium polymer rechargeable batteries. When the AP9101C detects overcharge, it turns off the external MOSFET switch to protect batteries. The AP9101C has a high-accuracy voltage detection circuit and an overcharge 3.5-4.5V detection voltage. The overcharge protection mode can be selectable from available/unavailable. The AP9101C also has a built-in fixed time circuit. The AP9101C is available in standard SOT-25 and SOT- 26 packages.Features
- Low current consumption (+25°C)
- 3.0μA typ. VDD = 3.5V Operation mode
- 0.01μA typ. Power-down mode
- High-accuracy voltage detection circuit (+25°C)
- 3.5V to 4.5V (5mV steps) accuracy ±25mV Overcharge detection voltage
- 0.1V to 0.4V (50mV steps) accuracy ±50mV Overcharge hysteresis voltage range
- 2.0V to 3.4V (10mV steps) accuracy ±35mV Overdischarge detection voltage
- 0V to 0.7V (40mV steps) accuracy ±65mV Overdischarge hysteresis voltage range
- 0.05V to 0.32V (10mV steps) accuracy ±15mV Discharge overcurrent detection voltage
- 0.45V to 0.7V (50mV steps) accuracy ±100mV Short current detection voltage
- -0.2V to -0.05V (10mV steps) accuracy ±15mV Charge overcurrent detection voltage
- 8.0V (fixed) accuracy ±2V Overcharger detection voltage
- 7.3V (fixed) accuracy ±2V Overcharger release voltage
- Built-in fixed detection delay time (+25°C) accuracy ±20%
- Power-down mode can be selectable, available/unavailable
- 0V battery charge function can be selectable, available/unavailable
- Overcharge protection mode can be selectable, release/latch
- High-voltage CMOS process up to 30V between VDD and VM pins
- Totally lead-free & fully RoHS compliant
- Halogen and antimony free green device
Applications
- Lithium-Ion battery packs
- Lithium polymer battery packs
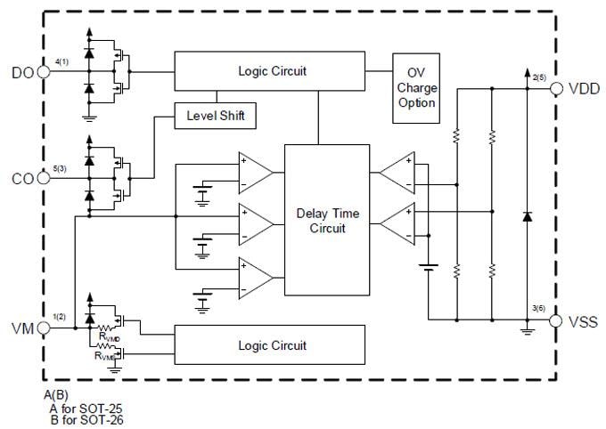
Block Diagram
Publicado: 2015-12-15
| Actualizado: 2022-03-11
