Bourns 2045 & 2049 Series Medium Duty 2-Electrode GDTs

Bourns 2045 and 2049 Series Medium Duty 2-Electrode Gas Discharge Tubes (GDTs) are specifically designed to protect telecommunications, industrial, and consumer electronics applications from hazardous transient voltages. These devices offer maximum surge ratings from 15kA to 20kA, low capacitance of ‹1.5pF max., high insulation resistance of >10GΩ, and a broad array of breakover voltage levels from 75V-600V. Bourns 2045 and 2049 Series Medium Duty 2-Electrode GDTs are available in axial leaded packages.

Features

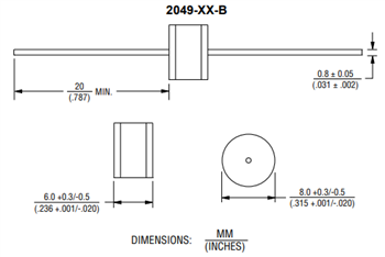
  • 8mm diameter, 6mm length dimensions
  • High insulation resistance
  • Low capacitance
  • Compact sizes
  • RoHS compliant
  • UL recognized

Applications

  • Industrial equipment
  • Telecommunications electronics
  • Industrial electronics
  • Consumer electronics

Dimensions

View Results ( 46 ) Page
N.º de artículo Hoja de datos Formación de arco de tensión de CC Empaquetado Resistencia de aislamiento
2045-12-BT1LF 2045-12-BT1LF Hoja de datos 120 V Bulk 10 GOhms
2045-30-BLF 2045-30-BLF Hoja de datos 300 V Bulk 10 GOhms
2049-60-BT1LF 2049-60-BT1LF Hoja de datos 600 V Bulk 10 GOhms
2045-07-BLF 2045-07-BLF Hoja de datos 75 V Bulk 10 GOhms
2045-09-BLF 2045-09-BLF Hoja de datos 90 V Bulk 10 GOhms
2045-09-BT1LF 2045-09-BT1LF Hoja de datos 90 V Bulk 10 GOhms
2045-12-BLF 2045-12-BLF Hoja de datos 120 V Bulk 10 GOhms
2045-14-BT1LF 2045-14-BT1LF Hoja de datos 145 V Bulk 10 GOhms
2045-23-BLF 2045-23-BLF Hoja de datos 230 V Bulk 10 GOhms
2045-35-BT1LF 2045-35-BT1LF Hoja de datos 350 V Bulk 10 GOhms
Publicado: 2012-09-25 | Actualizado: 2022-03-11