Analog Devices / Maxim Integrated MAX2216x Low-Power Six-Channel Digital Isolators
Analog Devices / Maxim Integrated MAX2216x Low-Power Six-Channel Digital Isolators are fast, reinforced, digital galvanic isolators using Analog Devices' proprietary process technology. The MAX2216x devices feature reinforced isolation with a withstand voltage rating of 3kVRMS for 60 seconds, a maximum data rate of either 25Mbps or 200Mbps and default-high or default-low outputs. The components transfer digital signals between circuits with different power domains, using as low as 0.71mW per channel at 1Mbps (1.8V supply). This low-power feature reduces system dissipation, increases reliability, and enables compact designs. The devices offer low propagation delay and clock jitter, reducing system latency. Independent 1.71V to 5.5V supplies on each side also make the devices suitable for use as level translators. These automotive/general-purpose devices are rated for operation from -40°C to +125°C (ambient).Features
- AEC-Q100 qualified (/V designation)
- Reinforced galvanic isolation for digital signals
- 16-QSOP with 4mm creepage and clearance
- Withstands 3kVRMS for 60s (VISO)
- Continuously withstands 445VRMS (VIOWM)
- Withstands ±10kV surge between GNDA and GNDB with 1.2/50μs waveform
- High CMTI (50kV/μs typical)
- Low power consumption
- 0.71mW per channel at 1Mbps with VDD = 1.8V
- 1.34mW per channel at 1Mbps with VDD = 3.3V
- 3.21mW per channel at 100Mbps with VDD = 1.8V
- Low propagation delay and low jitter
- Maximum data rate up to 200Mbps
- Low 7ns typical propagation delay at VDD = 3.3V
- 11.1ps typical clock jitter RMS
- Safety regulatory approvals
- UL according to UL1577
- cUL according to CSA Bulletin 5A
- VDE 0884-11 Reinforced Insulation (pending)
Applications
- Automotive
- Hybrid electric vehicles
- Chargers
- Battery Management System (BMS)
- Inverters
- Industrial
- Isolated SPI, RS-232/422/485, CAN, and digital I/Os
- Fieldbus communications
- Motor control
- Medical systems
Specifications
- Typical supply currents
- MAX22163
- 1.18mA to 1.23mA at 500kHz square wave, CL = 0pF
- 5.35mA to 7.83mA at 50MHz square wave, CL = 0pF
- MAX22164
- 1.04mA to 1.09mA on side A at 500kHz square wave, CL = 0pF
- 5.84mA to 7.63mA on side A at 50MHz square wave, CL = 0pF
- 1.32mA to 1.38mA on side B at 500kHz square wave, CL = 0pF
- 4.87mA to 8.04mA on side B at 50MHz square wave, CL = 0pF
- MAX22165
- 0.90mA to 0.94mA on side A at 500kHz square wave, CL = 0pF
- 6.32mA to 7.44mA on side A at 50MHz square wave, CL = 0pF
- 1.45mA to 1.53mA on side B at 500kHz square wave, CL = 0pF
- 4.45mA to 8.36mA on side B at 50MHz square wave, CL = 0pF
- MAX22166
- 0.75mA to 0.79mA on side A at 500kHz square wave, CL = 0pF
- 6.78mA to 7.25mA on side A at 50MHz square wave, CL = 0pF
- 1.59mA to 1.67mA on side B at 500kHz square wave, CL = 0pF
- 3.97mA to 8.57mA on side B at 50MHz square wave, CL = 0pF
- MAX22163
- Supply voltage
- 1.71V to 5.5V range
- 1.5V to 1.66V undervoltage lockout threshold
- 45mV typical undervoltage lockout threshold hysteresis
- Logic interface
- 0.7V to 0.8V maximum low input voltage
- 80mV to 410mV typical input hysteresis
- 2pF input capacitance
- 0.4V maximum output voltage low
- ESD protection
- ±4kV Human Body Model (HBM), all pins
- ±6kV IEC 61000-4-2 contact, GNDB to GNDA
- Insulation
- 445VRMS maximum working isolation voltage
- 1.5pF barrier capacitance, side A to side B
- 4mm clearance/creepage distance
- 0.021mm internal clearance
- 40/125/21 climatic category
- Pollution degree 2
- Safety limiting values
- 300mA maximum safety current on any pin with no damage to the isolation barrier
- 1123mW maximum total safety power dissipation
- +150°C maximum safety temperature
- 25Mbps or 200Mbps data rate options
- -40°C to +125°C operating temperature range
- QSOP-16 package
Components
- MAX22163 features 3x channels transmitting digital signals in 1x direction and 3x in the opposite
- MAX22164 offers 4x channels transmitting digital signals in 1x direction and 2x in the opposite
- MAX22165 provides 5x channels transmitting digital signals in 1x direction and 1x in the opposite
- MAX22166 features all 6x channels transmitting digital signals in 1x direction
Videos
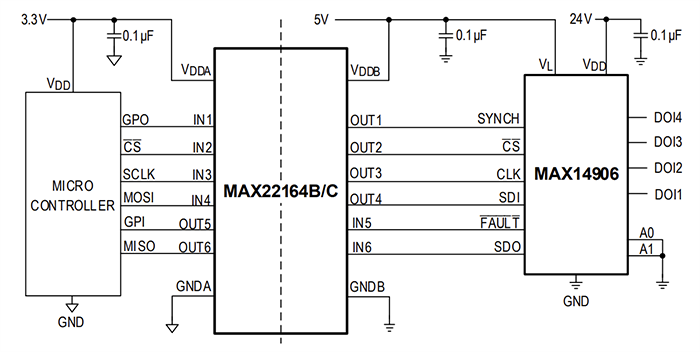
Simplified Application Diagram
Test Circuit & Timing Diagram
Publicado: 2023-10-05
| Actualizado: 2024-04-02
