Analog Devices Inc. ADES1830/ADES1831 16-Channel Battery Monitors
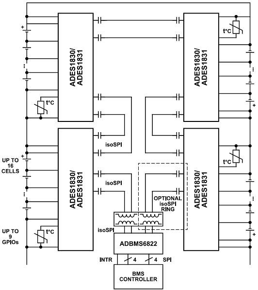
Analog Devices ADES1830/ADES1831 16-Channel Battery Monitors measure up to 16 series-connected battery cells and offer a lifetime total measurement error (TME) of <2mV for the ADES1830 and <5mV for the ADES1831 over the full temperature range. The measurement input range of -2V to +5.5V makes these multicell devices suitable for most battery chemistries and allows the measurement of voltages across bus bars. Two individual analog-to-digital converters (ADCs) measure all cells simultaneously and redundantly. The continuously operating ADCs, with a 4.096MHz sampling rate, enable reduced external analog filtering and aliasing-free measurement results. Subsequent programmable infinite impulse response (IIR) filters can provide higher noise reduction.Analog Devices ADES1830/ADES1831 16-Channel Battery Monitors can be powered by an isolated supply or from the battery stack. The series includes passive balancing with individual pulse width modulation (PWM) duty cycle control and up to 300mA discharge current for each cell. Other features include up to nine general-purpose inputs/outputs, an onboard 5V regulator, and a sleep mode, where current consumption is reduced to 4μA. Multiple devices can be connected in series, permitting simultaneous cell monitoring of long, high-voltage battery strings.
Features
- Measures up to 16 battery cells in series
- Maximum lifetime TME (±1.8mV at 3.3V per cell for ADES1830 and ±5mV for ADES1831 (–40°C to +105°C))
- Simultaneous and continuous measurement of cell voltages
- Built-in isoSPI
- 2Mbps isolated serial communications
- It uses a single twisted pair, up to 20 meters per segment
- Low EMI susceptibility and emissions
- Bidirectional for broken wire protection
- Capacitor or transformer-coupled
- Configurable integrated low-pass filtering
- Stackable architecture for high-voltage battery packs
- Hot-plug tolerant without external protection
- Passive cell balancing up to 300 mA per channel with programmable PWM
- Up to nine general-purpose analog inputs or digital I/O
- Temperature or other sensor inputs
- Configurable as an I2C or SPI controller
- 4μA sleep mode supply current
- Provisions for bus bars
Applications
- Utility energy storage
- Commercial and industrial energy storage
- Residential energy storage
- Backup battery systems
Videos
Typical Application Circuit
Publicado: 2024-07-05
| Actualizado: 2025-06-17
