ABLIC S-82P1A & S-82P1B Battery Protection ICs
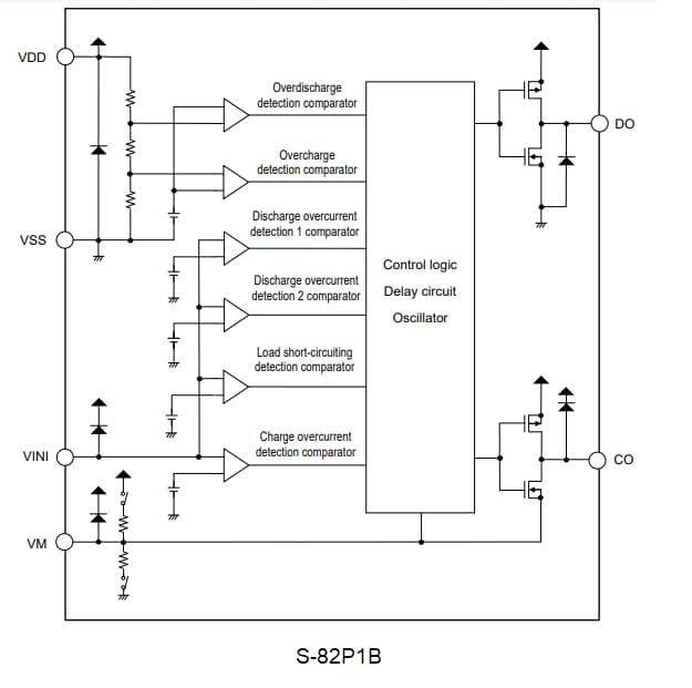
ABLIC S-82P1A and S-82P1B Battery Protection ICs for lithium-ion and lithium-polymer rechargeable batteries include high-accuracy voltage detection circuits and delay circuits. The ICs are suitable for protecting 1-cell lithium-ion and lithium-polymer rechargeable battery packs from overcharge, over-discharge, and overcurrent. These ICs realize high-accuracy overcurrent protection with less effect from temperature change by using an external overcurrent detection resistor. The S-82P1A and S-82P1B ICs feature discharge overcurrent control function and detection delay times that are generated only by an internal circuit. These ICs operate within a -40°C to +85°C temperature range.Features
- Detection delay times are generated only by an internal circuit (external capacitors are unnecessary)
- 0V battery charge - enabled, inhibited
- Power-down function - available, unavailable
- Discharge overcurrent control function:
- Load disconnection - release condition of discharge overcurrent status
- Release voltage of discharge overcurrent status - discharge overcurrent release voltage (VRIOV) = VDD × 0.8V (typical)
- Lead-free (Sn 100%), halogen-free
- High-withstand voltage - VM pin and CO pin, 28V absolute maximum rating
- Package options
- HSNT-8(1616) for S-82P1A
- SNT-6A for S-82P1B
Applications
- Lithium-ion rechargeable battery pack
- Lithium polymer rechargeable battery pack
Specifications
- High-accuracy voltage detection circuit:
- 3.500V to 4.800V overcharge detection voltage range (5mV step) with ±15mV accuracy
- 3.100V to 4.800V overcharge release voltage range with ±50mV accuracy
- 2.000V to 3.000V overdischarge detection voltage range (10mV step) with ±50mV accuracy
- 2.000V to 3.400V over-discharge release voltage range with ±75mV accuracy
- 3mV to 100mV discharge overcurrent detection voltage 1 range (0.25mV step) with ±0.75mV accuracy
- 6mV to 100mV discharge overcurrent detection voltage 2 range (0.5mV step) with ±2mV accuracy
- 20mV to 100mV load short-circuiting detection voltage range (1mV step) with ±5mV accuracy
- -100mV to -3mV charge overcurrent detection voltage range (0.25mV step) with ±0.75mV accuracy
- Low current consumption:
- 2μA typical, 4μA maximum during operation (Ta = +25°C)
- 50nA maximum during power-down (Ta = +25°C)
- 0.5μA maximum during over-discharge (Ta = +25°C)
- Wide -40°C to 85°C operating temperature range
Datasheets
Publicado: 2021-11-07
| Actualizado: 2025-01-21
