Successful Power Designs For LED Lighting: Guide on LED Driver Topologies
By Paul A. Golata & John Perry, for Mouser Electronics
LEDs are continuing to gain market share and penetration into all aspects of lighting. Electrically LEDs are a p–n junction diode which has been constructed so that it emits light when a correct voltage is applied. Like every electronic system LEDs thus require power, however as a designer that which is readily and generally available never seems to quite match exactly what is needed. The solution is to ascertain the best way forward in developing a successful power design.
As explained by the Shockley ideal diode equation, net current flowing through the LED is sensitive to even small changes in applied voltages across the terminals. In order to prevent applied voltage swings from potentially generating excessively large currents across the LED the solution most often employed is to operate the LEDs using constant current power supplies. Readily available power sources, such as batteries are constant-voltage sources, thus there is a need to convert power (constant-voltage to constant-current) by means of an LED driver (LED power supply). Proper power design ensure that LEDs operate reliably over time and provide the best utilization of both optical power output and electrical power consumed. Low noise and stable current control help the designer control potential color shifting issues.
DC/DC LED drivers come in three broad categories: (1) linear regulators, (2) charge pumps; characterized by a capacitor (passive electronic component) (3) switch mode drivers; characterized by an inductor (reactive electronic component). Though the most complex of the three categories, switch mode drivers have found favor in a wide variety of LED applications due to their flexibility in being adapted based upon different topologies to deliver high efficiency. Additionally, they also provide the benefit of accepting wide input voltage ranges, allow for smaller amounts of thermal heat sinking to be employed due to their lower power dissipation, achieve higher power densities (W/cm²), have the potential to be electrically isolated via transformers (Flyback), enable successful operation in high ambient temperatures, minimize footprint space, and achieve high output powers. For all of these compelling reasons this paper will thus limit its discussion to switching power supplies and various ways to arrange active and reactive electronic components to achieve the best power design for the application. Design considerations that engineers must take into account when determining the best topology for their application will include cost, size, input voltage, operating temperature range.
Topologies
There are four common switch mode topologies that one might consider when looking at LED drivers. They are (1) buck, (2) boost, (2) buck/boost, and (4) single-ended primary-inductor converters (SEPIC). Let’s take a look at these topologies and discuss some of the design consideration and factors that may make one topology more attractive relative to another.
Buck
Figure 1: Buck. VOUT < VIN, VOUT = D * VIN
The buck converter (step-down) is a very simple type of DC/DC converter and the most common. It produces an output voltage that is less than its input. The buck converter is so named because the inductor always “bucks” or acts against the input voltage. The components used in a buck converter are relatively simple and inexpensive making it a favorite of cost sensitive applications. The output voltage of an ideal buck converter is equal to the product of the switching duty cycle and the supply voltage. The buck converter can obtain its DC input from a DC supply or a rectified AC signal. In the case of an AC rectified signal isolation from the AC source may be obtained through use of a flyback topology that employs an isolating transformer between the AC source and the input.
The switch at the VIN position of the buck converter continually switches between ON and OFF at a high frequency. Energy is stored across the inductor while the switch is ON. The reverse-biased diode ensures the capacitor and VOUT are in the circuit. Energy is released from the inductor and used at VOUT by the load during the time that the switch is OFF. The diode is now forward-biased and is part of the circuit path. The inductor-diode-capacitor combination in this circuit bears analogous similarities to a mechanical flywheel providing regularly spaced energy in a smooth and continuous fashion. The result of this is that any load at VOUT experiences a small ripple waveform that is determined by the timing frequency of the circuit design.
Boost
Figure 2: Boost. VOUT > VIN, VOUT = VIN/(1 - D)
Sometimes designers need to have more output voltage than they have voltage to start with. They need to increase their voltage from something low to high. Such a topology calls for a DC/DC boost (step-up) converter. The design consists of four principle elements: inductor, power switch (MOSFET, IGBT, or similar), diode, and capacitor. When the switch is closed the circuit is ON and the inductor experiences increased current flow and stores energy in its magnetic field. For all intents and purposes there is no current flow in the diode and the capacitor. When the switch is thrown into the open position the circuit if OFF and current now moves from the inductor-switch rout to the inductor-diode-capacitor path. Ohm’s Law states that power equal voltage multiplied by current (P=E*I). Since the voltage across VOUT increases the current available at VOUT decreases.
Buck/Boost
Figure 3: Buck/Boost. VOUT < VIN or VOUT > VIN, VOUT = - (D/(1-D)) * VIN
Designers often desire the flexibility for VOUT to be able to be both higher and/or lower than VIN in the same circuit. The answer is the buck/boost (step-down/step-up) topology. Buck/Boost designs are relatively easy and efficient. They are characterized as having an inverted output voltage relative to the input voltage. Buck/Boost topologies employ an inductor in parallel to VIN. If isolation from AC signal is desired a transformer may be used instead of an inductor. When the switch is thrown closed, the circuit is turned ON. In this state the inductor increases its storage of energy and the capacitor in parallel to the load at VOUT supplies the requisite current. When the switch is flipped open, the circuit is turned OFF. The inductor discharges across the diode and delivers current to the load at VOUT.
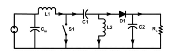
Single-Ended Primary-Inductor Converter (SEPIC)
Figure 4: SEPIC. VOUT < VIN or VOUT > VIN, VOUT = (D/(1-D)) * VIN
Don’t like the inverted output voltage relative to the input voltage than consider the single-ended primary-inductor converter (SEPIC). It is a buck/boost converter topology without the inverted voltage. SEPIC converters require an additional inductor and a blocking capacitor for operation which may be off-putting at first glance, however, the continuous input current draw is beneficial for reducing electromagnetic interference (EMI). A drawback to the SEPIC topology is that they generally require a larger footprint.
Multi-Topology LED Driver: Real World Example
Whenever there are LEDs there are needs for LED drivers. Whether it is for automotive, general illumination, or special LED usages selecting the correct driver can be made easier through the use of a multi-topology LED driver, one that has maximum flexibility to be designed into various input voltage to output voltage requirements.
Texas Instruments (TI) is a $13B global semiconductor design and manufacturing company focused on technology and innovation that services more than 100,000 customers worldwide offering nearly 100,000 analog ICs and embedded processors. TI’s award-winning LED drivers and solutions give lighting developers the flexibility to optimize their designs to satisfy the demanding challenges of this dynamic market. By leveraging TI’s extensive LED driver IC product portfolio, design tools and technical resources we can help you build innovative solutions in signage, backlighting, automotive and general LED lighting applications.
TI’s commitment to technological innovation has led to the development of the recently released TPS92691. The TPS92691 is a rail-to-rail current sensing N-channel MOSFET controller for lighting applications such as automotive LED headlamps and running lights as well as industrial applications such as street lighting, projector light sources, and appliance lighting. This flexible controller is well suited for customers who have common 12V, 24V, or 48V power rails in their systems and have a need to include LEDs for illumination.

What makes the TPS92691/-Q1 so unique and interesting is the versatility of this second-generation LED controller in that can support a full range of step-up or step-down driver topologies such as buck, boost, buck/boost, flyback, SEPIC, and Cuk meaning one IC can service virtually all DC/DC LED drive needs. In lighting applications, the design of the light source dictates the arrangement and configuration of LEDs. Let's consider some examples where a 12VDC supply is available:
Spot Light: The LED selection is likely to be one with low forward voltage (< 4VDC) but high current (> 2A) to create a single point source of light. Here the TPS92691 in a buck configuration would be ideal because the LED voltage is well under that of our supply voltage.
Light Surface: If the light source is needs to emanate over a larger surface area, the LEDs may be of a mid-power classification where 20–40 LEDs are arranged in series or series-parallel combinations. In this situation the boost configuration of TPS92691 is the best choice, because we will likely need to “step-up” the supply voltage to match that of a long string of LEDs.
Automotive: In automotive use cases, it is appropriate to consider a wide variation in battery voltage (6VDC–18VDC nominal with 40VDC+ peak). An after-market LED spot light, for example, may use ten (10) series-connected LEDs. Here the forward voltage (30VDC–36VDC) overlaps the battery load dump voltage range making a buck-boost or SEPIC configuration appropriate to ensure consistent light output under all battery voltage variations.
What makes the TPS92691 ideal in these example applications is its ability to operate over wide input (4.5VDC–65VDC) and output ranges (2VDC–65VDC). Other useful features include programmable switching frequency, adjustable up to 700kHz, separate analog and PWM dimming inputs, slope compensation, and soft-start timing, and ±3% LED current accuracy over junction temperature range of 25°C to 140°C. Lastly, when used in intelligent lighting applications, the analog output current monitor pin (IMON) can be used by a microcontroller for real time measurement of LED current during normal operation as well as LED string open or short conditions.
The TPS92691/-Q1 is packaged in HTSSOP-16 with a footprint of 5.1mm x 6.1mm. The -Q1 is automotive Q100 Grade 1 qualified.
Start a successful LED power design today. Consider employing a multi-topology LED driver. For more information on LED Lighting and LED drivers including a full selection of the latest products to ensure your success go to Mouser Lighting Applications.
Credit: Figures 1-4 were taken from Wikipedia.org.
Paul Golata joined Mouser Electronics in 2011. As a Senior Technical Content Specialist, Mr. Golata is accountable for contributing to the success in driving the strategic leadership, tactical execution, and overall product line and marketing direction for advanced technology related products by providing design engineers with the newest and latest information delivered through the creation of unique and valuable technical content that facilitates and enhances Mouser Electronics as the preferred distributor of choice. Prior to Mouser Electronics, he served in various Manufacturing, Marketing, and Sales related roles for Hughes Aircraft Company, Melles Griot, Piper Jaffray, Balzers Optics, JDSU, and Arrow Electronics. Mr. Golata holds a BSEET from DeVry Institute of Technology – Chicago, IL; an MBA from Pepperdine University – Malibu, CA; and an MDiv w/BL from Southwestern Baptist Theological Seminary – Fort Worth, TX. Mr. Golata may be reached at paul.golata@mouser.com.
John Perry is the Marketing Manager for Texas Instruments Lighting Power Products working LED drivers and lighting for four years. An employee of TI for 15 years, John has held a number of marketing and management positions in Texas Instruments since joining the company in 2000. John holds a bachelors degree in Electrical Engineering from New Mexico State University, Las Cruces, New Mexico, USA.